Superposition ||
Date : 9/28/17
Objective
Use super position technique to analyze a circuit.
Prelab
Calculate voltage at the 6.8k resistor using superposition where from the 5volt source, the 3volt source, and then adding the sum.
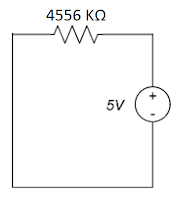
From 5 volt Voltage Source
![]() |
Short out 3V, then use Nodal analysis. (red = nodes, blue = current)From 3 volt Voltage Source
Short out 5 volt Voltage Source, use nodal analysis (red = nodes, blue = current)
|
Lab Procedure
1) Construct circuit with both 5volts and 3 volts and record voltage at the 6.8k resistor.
2) With 5 volt Voltage Source only, record voltage at 6.8k resistor.
3) With 3 volt Voltage Source only, record voltage at 6.8k resistor.
4) table
Comments
Decided to use resistors 6.8k, 2.2k, and 1k in series to get 10k resistance for the required 10k resistor. Also doubled those values to get to 20k instead of using 22k resistor. The calculated vs actual was spot on. Not sure why we nearly have 0 percent error for both the 5 volt voltage source and the combined voltage source, yet we have a %1.14 error for the 3volt voltage source. I also realized from the last superposition lab, that I could of simply used any method but I choose to simplify and convert to get toward my answer.
The TinkerCad app and EveryCircuit App was used to verify with accuracy the values for voltage from each voltage source.
| Voltage at 6.8k resistor with both 3v and 5v Voltage Sources |
| Voltage at 6.8k resistor with 5 volt Voltage Source (3v is shorted |
| Voltage at 6.8k resistor with 3 volt Voltage Source. |
![]() |
| Both Voltage Sources |
![]() |
| 3v Voltage Source |
![]() |
| 5v Voltage Source |


































